台式电源(PS)往往有偶数个端口(忽略机箱端口):一个正端口和一个负端口。使用台式电源产生正极性输出很容易:将负输出设置为GND,将正输出电压设置为正输出。产生负电源同样容易,只需将上述设置反转。但是,如何生产双极性电源,负载可以同时使用正电压和负电压?相对而言,这也很简单——只需将一个实验室通道的正端口连接到另一个通道的负端口,并称其为GND。另外两个端口(正和负)分别就是正负电源。结果得到一个三端口双极性电源,提供GND、正和负电压电平。由于使用了三个端口,因此在电源下游的正电源和负电源之间必须进行某种切换。
如果应用要求同一电源端口为正或负(仅向负载提供两个端口的设置),该怎么办?这不是一个纯学术问题。在汽车和工业环境中,有些应用需要双极性、可调节的双端口电源。例如,从具异国风情的玻璃贴膜到测试测量设备,这些应用会使用双端口双极性电源。
如前所述,传统双极性电源使用三个输出端口产生两路输出:正、负和GND。相比之下,单路输出电源应仅配备两个输出端口:一个GND和另一个可以为正也可以为负的输出端口。在此类应用中,输出电压可以通过单个控制信号在从最小负值到最大正值的全部范围内相对于GND调节。
有些控制器专门用于实现双极性电源功能,例如双极性输出同步控制器LT8714。然而,对于许多汽车和工业制造商而言,对专用IC进行测试和认证需要一些时间和金钱上的投入。相比之下,许多制造商已经拥有预认证的降压转换器和控制器,因为无数汽车和工业应用中都会用到这些器件。本文介绍在不能选择专用双极性电源IC时如何利用降压转换器产生双极性电源。
电路描述及功能
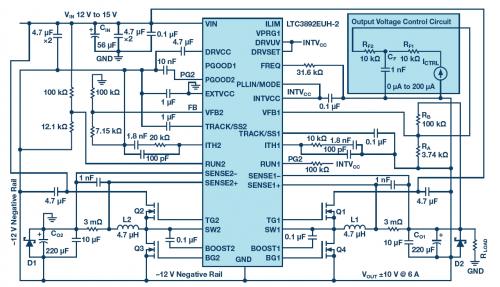
图1显示了基于降压转换器的双极性(二象限)可调电源解决方案。输入电压范围为12V至15V;输出为±10V范围内的任何电压,由控制块调节,支持高达6A的负载。双路输出降压控制器IC是此设计的核心器件。每个降压-升压拓扑连接的一路输出产生稳定的-12V电压(即图1中的-12V负轨,其功率链路包括L2、Q2、Q3和输出滤波器CO2)。
-12V电压轨用作第二通道的接地,控制器的接地引脚也连接到-12V电压轨。总的来说,这是一个降压转换器,其输入电压为-12V和VIN之间的差值。输出可调,相对于GND可正可负。请注意,相对于-12V电压轨,输出始终为正,其功率链路包括L1、Q1、Q4和CO1。反馈电阻分压器RB-RA设置最大输出电压。该分压器的值由输出电压控制电路调节,此电路可通过向RA注入电流来将输出调节至最小输出电压(负输出)。应用启动特性由RUN和TRACK/SS引脚的端接电阻设置。
两路输出均在强制连续导通模式下工作。在输出控制电路中,0μA至200μA电流源ICTRL在实验室测试时连接到负轨,但也可以GND为基准。低通滤波器RF1-CF可降低快速输出瞬变。为了缩减转换器的成本和尺寸,使用相对便宜的极化电容形成输出滤波器。可选二极管D1和D2用于防止这些电容上产生反向电压,尤其是在启动时。如果仅使用陶瓷电容,则不需要二极管。
转换器测试和评估
本解决方案基于LTC3892和评估套件DC1998A与DC2493A进行过测试和评估。该转换器在众多测试中表现良好,包括电压和负载调整、瞬态响应以及输出短路。图2显示了启动至6A负载、输出为+10V的情况。控制电流和输出电压之间的函数线性度如图3所示。随着控制电流从0μA增加到200μA,输出电压从+10V降至-10V。图4显示了效率曲线。


图1.两端子、双极性、可调节电源的电气原理图


图2.进入电阻负载的启动波形


图3.VOUT与控制电流ICTRL的关系。当ICTRL从0A增加到200μA时,输出电压从+10V降至-10V。


图4.正负输出的效率曲线
我们开发了该双极性、双端子电源的LTspice®模型,以简化该方法的采用,允许设计人员分析和仿真上述电路,引入变化,查看波形,以及研究器件应力。
描述此拓扑的基本公式和表达式
这种方法基于设计的降压-升压部分产生的负电压轨VNEG。
VNEG=VOUT+VOUT×Km(1)
其中,VOUT为最大输出电压的绝对值,Km为0.1到0.3的系数。Km限制降压转换器的最小占空比。VNEG还设置VIN的最小值:
VIN≥|VNEG|(2)
VBUCK=|VNEG|+VIN
其中VBUCK为降压部分的输入电压,因而表示转换器半导体器件上的最大电压应力:
VBUCK(MAX)=|VNEG|+VOUT(3)
VBUCK(MIN)=|VNEG|–VOUT
VBUCK(MAX)和VBUCK(MIN)分别为该拓扑的降压部分的最大和最小电压。降压部分的最大和最小占空比以及电感电流可用以下表达式描述,其中IOUT为输出电流:
DBUCK(MAX)=VBUCK(MAX)/VBUCK(4)
DBUCK(MIN)=VBUCK(MIN)/VBUCK
LBB=IOUT+Δ/1
电源降压-升压部分的占空比:
DBB=|VNEG|/(VIN+|VNEG|)(5)
降压部分的输入功率以及相应的降压-升压输出功率:
POUT(BB)=(VOUT×IOUT)/η(6)
转换器功率和输入电流:
IOUT(BB)=POUT(BB)/|VNEG|(7)
IL(BB)=IOUT(BB)/(1–DBB)+Δ/2
输出电压变化是通过将电流注入降压部分的反馈电阻分压器来实现的。图1的输出电压控制电路部分显示了如何设置输出电压控制。
如果给定RB,那么
PBB=POUT(BB)/η(8)
IBB=PBB/VIN
其中VFB为反馈引脚电压。
当电流源ICTRL将零电流注入RA时,降压转换器的输出电压是相对于负轨的最大正值(VBUCK(MAX))和相对于GND的最大输出电压(+VOUT)。为了给负载产生负输出电压(相对于GND),须将ΔI注入降压分压器的电阻RA,使输出电压降至相对于负输出电压(-VOUT)的最小值VBUCK(MIN)。
数值示例
通过使用前面的公式,我们可以计算双极性电源的电压应力、流过功率链路器件的电流以及控制电路的参数。例如,以下计算是针对一个从14V输入电压产生6A、±10V输出的电源。
如果Km为0.2,则VNEG=-12V。验证最小输入电压VIN≥|VNEG|的条件。半导体器件VBUCK上的电压应力为26V。
降压部分的最大电压为VBUCK(MAX)=22V,相对于负电压轨;输出电压设置为+10V,相对于GND。最小电压VBUCK(MIN)=2V,对应于-10V(相对于GND)的输出电压。这些最大和最小电压对应于最大和最小占空比,DBUCK(MAX)=0.846,DBUCK(MIN)=0.077,DBB=0.462。
功率可通过假设效率为90%来计算,产生POUT(BB)=66.67W,IOUT(BB)=5.56A,IL(BB)=10.37A,PBB=74.074W。
对于+10V的输出电压(根据图1),控制电路电流ΔI为0μA,而对于-10V的输出电压,ΔI=200μA。
结论
本文介绍了一种双极性、双端子电源设计。这里讨论的方法基于降压转换器拓扑结构,它是现代电源电子的主力技术,因此能以各种形式提供,从带外部器件的简单控制器到完整模块应有尽有。采用降压拓扑结构可以赋予设计人员灵活性,并且可以选择使用预认证器件,从而节省时间和成本。
烜芯微专业制造二极管,三极管,MOS管,桥堆等20年,工厂直销省20%,4000家电路电器生产企业选用,专业的工程师帮您稳定好每一批产品,如果您有遇到什么需要帮助解决的,可以点击右边的工程师,或者点击销售经理给您精准的报价以及产品介绍
			烜芯微专业制造二极管,三极管,MOS管,桥堆等20年,工厂直销省20%,4000家电路电器生产企业选用,专业的工程师帮您稳定好每一批产品,如果您有遇到什么需要帮助解决的,可以点击右边的工程师,或者点击销售经理给您精准的报价以及产品介绍
 
                                
