MOS管功率放大器电路图是由电路稳压电源模块、带阻滤波模块、电压放大模块、功率放大模块、AD转换模块以及液晶显示模块组成。
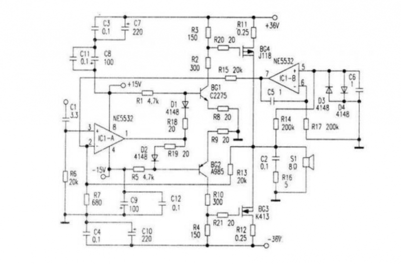
1.场效应管功放电路图

2.场效应管功放电路原理
IC1-A起电压放大作用,限于供电电压的缘故,该级信号输出幅度不超过±15V,如果后级采用射随器输出,则输出功率偏小。本电路既要发挥运放设计简洁、性能优良的特点,又要满足合适的输出功率。所以本电路由两组电源(±15V、±36V)供电,稳压±15V供给运放使用,±36V供给后级使用。BG1、BG2为共射极电路,R8、R9为负反馈电阻,R1、R5、D1、D2、R18、R19为BG1、BG2提供稳定的直流偏置,以保证其处于导通状态,本级除电压放大作用之外,更主要是实现了不同电源供电电路的信号耦合。
场效应管是电压放大器件,虽然对驱动电流没有特别要求,但是要考虑场效应管输入电容对高频特性的影响。所以,驱动信号的内阻应足够小。BG3、BG4的驱动信号分别取自BG2、BG1的负载R4、R3。BG1、BG2的集电极负载电阻被分为两段,这是由于场效应管的栅源驱动电压不得大于20伏。BG3、BG4为MOSFET对管组成的漏极输出级。R11、R12为源极负反馈电阻。ICl-B的作用是稳定末级中点的宜流电压,以实现功放直流化。R13、R7是环路负反馈电阻。R20、R21.为防止MOS管高频自激而设;C2、R16的作用是防止电路自激。
3.场效应管功放电路作用
场效应管放大器(FET amplifier)是一种使用场效应管(field-effect transistor (FET))的放大器。在放大器应用中,场效应管的主要优点是它能提供非常高的输入阻抗以及低输出阻抗。
烜芯微专业制造二极管,三极管,MOS管,桥堆等20年,工厂直销省20%,4000家电路电器生产企业选用,专业的工程师帮您稳定好每一批产品,如果您有遇到什么需要帮助解决的,可以点击右边的工程师,或者点击销售经理给您精准的报价以及产品介绍
			烜芯微专业制造二极管,三极管,MOS管,桥堆等20年,工厂直销省20%,4000家电路电器生产企业选用,专业的工程师帮您稳定好每一批产品,如果您有遇到什么需要帮助解决的,可以点击右边的工程师,或者点击销售经理给您精准的报价以及产品介绍
 
                                
