基本放大电路是电路的一种,可以应用在电路施工中。基本放大电路输入电阻很低,一般只有几欧到几十欧,但其输出电阻却很高。
基本直放大电路既可以放大交流信号,也可放大直流信号和变化非常缓慢的信号,且信号传输效率高,具有结构简单、便于集成化等优点,集成电路中多采用这种耦合方式。
放大的概念
放大的前提是不失真,即只有在不失真的情况下放大才有意义。晶体管和场效应管是放大电路的核心元件。
任何稳态信号都可以分解为若干频率正弦信号的叠加,所以放大电路以正弦波为测试信号。
基本共射放大电路的工作原理
(1)设置静态工作点的必要性
静态工作点——I、I、U
原因
不设置静态工作点会使输出电压严重失真,输出电压也毫无变化。
Q点不仅会影响电路是否会产生是真,还会影响着放大电路几乎所有的动态系数。
(2)工作原理及波形分析
所以选择合适的静态工作点才不会使输出波形产生非线性失真。基本共射放大电路的电压放大作用是利用晶体管的电流放大作用,并依靠Rc将电流的变化转化成电压的变化来实现。
放大电路的组成原则
(1)组成原则
必须根据所用放大管的类型提供直流电源,以便设置合适的静态工作点并做为输出的能源。
电阻取值适当,与电源配合,使放大管有合适的静态工作电流。
输入信号必须能够作用于放大管的输入回路。
当负载接入时,必须保证放大管输出回路的动态电流能够作用于负载,从而使负载获得比输入信号大得多的信号电流或信号电压。
(2)常见的两种共射放大电路




直接耦合共射放大电路
电路中信号源与放大电路,放大电路与负载电阻均直接相连,故称其为“直接耦合”。
阻容耦合共射放大电路
由于C1用于连接信号源与放大电路,电容C2用于连接放大电路与负载,在电子电路中起连接作用的电容就称为耦合阻容。
放大电路的分析方法
(1)直流通路与交流通路
直流通路——研究静态工作点:电容视为开路;电感线圈视为短路;信号源视为短路,但要保留其内阻。
交流通路——研究动态参数:容量大的电容(如耦合电容)视为短路;无内阻的直流电源(如+Vcc)视为短路。
(2)图解法——多分析Q点位置、最大不失真电压和失真情况




(3)等效电路法
晶体管的直流模型及静态工作点的估算法
晶体管共射h参数等效模型——只能用于放大电路动态小信号参数的分析


共射h参数等效模型


(4)静态工作点稳定的必要性
影响Q点不稳定的因素中温度对晶体管参数的影响最大
稳定静态工作点的措施——利用负反馈或温度补偿
晶体管单管放大电路的接法特点
接法的判断:输入电压和输出电压的公共端


多级放大电路的分析方法
(1)三种:直接耦合、阻容耦合、变压耦合
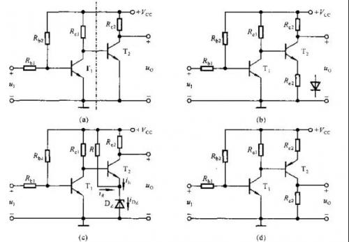
直接耦合
前一级的输出端直接连接到后一级的输入端


直接耦合多级放大电路常采用的是NPN和PNP型管混合使用的方法,在图(d)中,为使T2工作在放大区,T2管的集电极电位应该低于T1管的集电极电位。
优点:具有良好的低频特性,可以放大变化缓慢的信号;没有大容量的电容,便于集成。
缺点:静态工作点相互影响,带来一定困难;有零点漂移现象。
【附加】零点漂移:输入电压为零时而输出电压不为零且有缓慢变化。温度是主要原因,故又称其为温度漂移。
阻容耦合
前一级的输出端通过电容连接到后一级的输入端


优点:各级静态工作点相互独立;适合于信号频率较高的电路。
缺点:低频性能差,不能放大变化缓慢的信号,不易于集成。
变压器耦合
将前一级的输出端通过变压器接入到后一级的输入端或负载电阻上。
优点:各级静态工作点相互独立,可实现阻抗变换。
缺点:低频性能差,不能放大变化缓慢的信号,不易于集成。
(2)多级放大电路的动态分析


上式即为多级放大电路的电压放大倍数
输入电阻为第一级的输入电阻:Ri=Ri1
输出电阻为最后一级的输出电阻:Ro=Ron
当共集放大电路做为第一级时,它的输入电阻与其负载,即第二级的输入电阻有关;当共集放大电路作为最后一级时,它的输出电阻与其信号源内阻,即倒数第二级的输出电阻有关。
当多级放大电路的输出波形产生失真时,首先确定是哪一级失真,再判断是饱和失真还是截止失真。
烜芯微专业制造二极管,三极管,MOS管,桥堆等20年,工厂直销省20%,4000家电路电器生产企业选用,专业的工程师帮您稳定好每一批产品,如果您有遇到什么需要帮助解决的,可以点击右边的工程师,或者点击销售经理给您精准的报价以及产品介绍
			烜芯微专业制造二极管,三极管,MOS管,桥堆等20年,工厂直销省20%,4000家电路电器生产企业选用,专业的工程师帮您稳定好每一批产品,如果您有遇到什么需要帮助解决的,可以点击右边的工程师,或者点击销售经理给您精准的报价以及产品介绍
 
                                
