通常,PWM型开关电源把输出电压的采样作为PWM控制器的反馈电压,该反馈电压经PWM控制器内部的误差放大器后,调整开关信号的占空比以实现输出电压的稳定。但不同的电压反馈电路,其输出电压的稳定精度是不同的。本文首先对电流型脉宽控制器UC3842(内部电路图如图1所示)常用的三种稳定输出电压电路作了介绍,分析其各自的优缺点,在此基础上设计了一种新的电压反馈电路,实验证明这种新的电路具有很好的稳压效果。

图1 UC3842电路结构图
1.常用电压反馈电路
1.1输出电压直接分压作为误差放大器的输入
如图2所示,输出电压Vo经R2及R4分压后作为采样信号,输入UC3842脚2(误差放大器的反向输入端)。误差放大器的正向输入端接UC3842内部的2.5V的基准电压。当采样电压小于2.5V时,误差放大器正向和反向输出端之间的电压差经放大器放大后,调节输出电压,使得UC3842的输出信号的占空比变大,输出电压上升,最终使输出电压稳定在设定的电压值。R3与C1并联构成电流型反馈。
这种电路的优点是采样电路简单,缺点是输入电压和输出电压必须共地,不能做到电气隔离。势必 引起电源布线的困难,而且电源工作在高频开关状态,容易引起电磁干扰,必然带来电路设计的困难,所以这种方法很少使用。

图2 输出电压直接分压采样
1.2辅助电源输出电压分压作为误差放大器的输入
如图3所示,当输出电压升高时,单端反激式变压器T的辅助绕组上产生的感应电压也升高,该电压经过D2,D3,C15,C14,C13和R15组成的整流、滤波和稳压网络后得到一直流电压,给UC3842供电。同时该电压经R2及R4分压后作为采样电压,送入UC3842的脚2,在与基准电压比较后,经误差放大器放大,使脚6输出脉冲的占空比变小,输出电压下降,达到稳压的目的。同样,当输出电压降低时,使脚6输出脉冲的占空比变大,输出电压上升,最终使输出电压稳定在设定的值。

图3 辅助电源输出电压分压采样
这种电路的优点是采样电路简单,副边绕组、原边绕组和辅助绕组之间没有任何的电气通路,容易布线。缺点是并非从副边绕组直接得到采样电压,稳压效果不好,实验中发现,当电源的负载变化较大时,基本上不能实现稳压。该电路适用于针对某种固定负载的情况。
1.3采用线性光耦改变误差放大器的输入误差电压
如图4所示,该开关电源的电压采样电路有两路:一是辅助绕组的电压经D1,D2,C1,C2,C3,R9组成的整流、滤波和稳压后得到16V的直流电压给UC3842供电,另外,该电压经R2及R4分压后得到一采样电压,该路采样电压主要反映了直流母线电压的变化;另一路是光电耦合器、三端可调稳压管Z和R4,R5,R6,R7,R8组成的电压采样电路,该路电压反映了输出电压的变化;当输出电压升高时,经电阻R7及R8分压后输入Z的参考电压也升高,稳压管的稳压值升高,流过光耦中发光二极管的电流减小,流过光耦中的光电三极管的电流也相应的减小,误差放大器的输入反馈电压降低,导致UC3842脚6输出驱动信号的占空比变小,于是输出电压下降,达到稳压的目的。

图4 采用辅助电源采样和光耦采样综合
该电路因为采用了光电耦合器,实现了输出和输入的隔离,弱电和强电的隔离,减少了电磁干扰,抗干扰能力较强,而且是对输出电压采样,有很好的稳压性能。缺点是外接元器件增多,增加了布线的困难,增加了电源的成本。
2.实验与结果
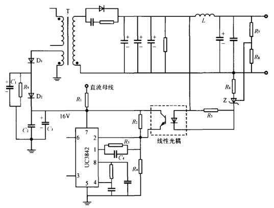
2.1采用线性光耦改变误差放大器的增益
如图5所示,该电压采样及反馈电路由R2,R5,R6,R7,R8,C1,光电耦合器、三端可调稳压管Z组成。当输出电压升高时,输出电压经R7及R8分压得到的采样电压(即Z的参考电压)也升高,Z的稳压值也升高,流过光耦中发光二极管中的电流减小,导致流过光电三极管中的电流减小,相当于C1并联的可变电阻的阻值变大(该等效电阻的阻值受流过发光二极管电流的控制),误差放大器的增益变大,导致UC3842脚6输出驱动信号的占空比变小,输出电压下降,达到稳压的目的。当输出电压降低时,误差放大器的增益变小,输出的开关信号占空比变大,最终使输出电压稳定在设定的值。因为,UC3842的电压反馈输入端脚2接地,所以,误差放大器的输入误差总是固定的,改变的是误差放大器的增益(可将线性光耦中的光电三极管视为一可变电阻),其等效电路图如图6所示。

图5 采用光耦改变误差放大器的增益

图6 改变误差放大器增益的等效电路
该电路通过调节误差放大器的增益而不是调节误差放大器的输入误差来改变误差放大器的输出,从而改变开关信号的占空比。这种拓扑结构不仅外接元器件较少,而且在电压采样电路中采用了三端可调稳压管,使得输出电压在负载发生较大的变化时,输出电压基本上没有变化。实验证明与上述三种反馈电路相比,该电路具有很好的稳压效果。
2.2实验结果
将这种新的采用线性光耦改变误差放大器增益的电压反馈电路,用于一48V/12V的单端反激式DC/DC开关电源(最大输出电流5A),显示该电源输出电压稳定,带负载能力强。图7(a)-(h)分别给出了当负载为100Ω,25Ω,10Ω,3Ω时的输出电压和驱动波形,从波形可以看出,当负载电流逐渐增大时,驱动信号的占空比相应增大,但输出电压始终稳定在12.16V。

图7 不同负载时的输出电压和驱动波形
结语
在单端隔离式PWM型电源中,电流型脉宽调制器UC3842有着广阔的应用范围,本文总结了采用线性光耦改变UC3842误差放大器增益的电压反馈电路设计。并通过实验证明,新的电压反馈电路使得稳压精度高,负载适应性强。
 
电话:18923864027(同微信) 
QQ:709211280
〈烜芯微/XXW〉专业制造二极管,三极管,MOS管,桥堆等,20年,工厂直销省20%,上万家电路电器生产企业选用,专业的工程师帮您稳定好每一批产品,如果您有遇到什么需要帮助解决的,可以直接联系下方的联系号码或加QQ/微信,由我们的销售经理给您精准的报价以及产品介绍
 
                                
