由于无源滤波器特性受系统参数影响大,只能消除特定的几次谐波,过载能力小,对系统阻抗和频率变化的适应性较差,稳定性较差等因素,人们将滤波研究方向逐步转向有源滤波器(Active PowerFliter,缩写为APF)。有源电力滤波器作为一种新型的谐波治理技术,是消除谐波污染、提高电能质量的有效工具。与传统的无源滤波器相比,有源电力滤波器具有补偿各次谐波、抑制闪变、补偿无功,自动跟踪补偿变化的谐波等技术优势。下面将介绍其的分类以及应用:
1.按逆变器直流侧储能元件分类
有源电力滤波器的主电路一般由PWM逆变器构成。根据逆变器直流侧储能元件的不同,可分为电压型有源滤波器(储能元件为电容)和电流型有源滤波器(储能元件为电感)。
1.1电压型
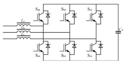
电压型有源滤波器在工作时需对直流侧电容电压控制,使直流侧电压维持不变,因而逆变器交流侧输出为PWM电压波。优点是损耗较少,效率高,是目前国内外绝大多数有源滤波器采用的主电路结构。如图1所示。

图1 电压型有源滤波器
1.2电流型
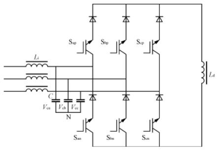
电流型有源滤波器在工作时需对直流侧电感电流进行控制,使直流侧电流维持不变,因而逆变器交流侧输出为PWM电流波。由于电流侧电感上始终有电流流过,该电流在电感内阻上将产生较大损耗,所以目前较少采用。如图2所示。

图2 电流型有源滤波器
2.按电路拓朴结构分类
有源电力滤波器可分为并联型、串联型、串-并联型和混合型。
2.1并联型
图3所示为并联型有源滤波器的基本结构。它主要适用于电流源型非线性负载的谐波电流抵消、无功补偿以及平衡三相系统中的不平衡电流等。目前并联型有源滤波器在技术上已较成熟,它也是当前应用最为广泛的一种有源滤波器拓补结构。

图3 并联型有源滤波器
2.2串联型
图4所示为串联型有源滤波器的基本结构。它通过一个匹配变压器将有源滤波器串联于电源和负载之间,以消除电压谐波,平衡或调整负载的端电压。与并联型有源滤波器相比,串联型有源滤波器损耗较大,且各种保护电路也较复杂,因此,很少研究单独使用的串联型有源滤波器,而大多数将它作为混合型有源滤波器的一部分予以研究。

图4 串联型有源滤波器
2.3混合型
图5所示为混合型有源滤波器的基本结构。它是在串联型有源滤波器的基础上使用一些大容量的无源L-C滤波网络来承担消除低次谐波,进行无功补偿的任务。而串联型有源滤波器只承担消除高次谐振及阻尼无源LC网络与线路阻抗产生的谐波谐振的任务。从而使串联型有源滤波器的电流、电压额定值大大减少(功率容量可减少到负载容量的5%以下),降低了有源滤波器的成本和体积。从经济角度而言,这种结构形式在目前是一种值得推荐的方案。但随着电力电子器件性能的不断提高,成本不断下降,混合型有源滤波器可能被下面一种性能价格比更高的有源滤波器代替。

图5 混合型有源滤波器
2.4串-并联型
图6所示为串-并联型有源滤波器的基本结构。它组合了串联有源滤波器和并联有源滤波器的优点,能解决电气系统发生的大多数电能质量问题,所以又称之为万能有源滤波器或统一电能质量调节器(UPQC),该类有源滤波器的主要问题是控制复杂、造价较高。

图6 串-并联型有源滤波器
以上就是有源电力滤波器的分类介绍了。目前有源电力滤波器可广泛应用于工业、商业和机关团体的配电网中,如:电力系统、电解电镀企业、水处理设备、石化企业、大型商场及办公大楼、精密电子企业、机场/港口的供电系统、医疗机构等等。根据应用对象不同,有源电力滤波器的应用将起到保障供电可靠性、降低干扰、提高产品质量、增长设备寿命减少设备损坏等作用。
电话:18923864027(同微信)
QQ:709211280
〈烜芯微/XXW〉专业制造二极管,三极管,MOS管,桥堆等,20年,工厂直销省20%,上万家电路电器生产企业选用,专业的工程师帮您稳定好每一批产品,如果您有遇到什么需要帮助解决的,可以直接联系下方的联系号码或加QQ/微信,由我们的销售经理给您精准的报价以及产品介绍

