实例讲解MOS管缓启动电路
为什么需要电源启动?电源缓启动能做什么?
缓启动,顾名思义就是让电路电源缓慢开启。
那解释起来这么简单,工作原理是否如此呢?
今天我们带着上面的疑问一起来讨论电源缓启动的应用分析。
首先,为什么我们需要电源缓启动?
我们先拿电子系统中常见的功能“热插拔”来举例子。
(热插拔:在系统正常工作时,带电对系统的某个单元进行插拔操作,且不对系统产生任何影响。)
热插拔一般对电子系统有两方面影响:1.热插拔时,连接器的机械触点在接触瞬间会出现弹跳,引起电源振荡;2.热插拔时,由于系统大容量储能电容的充电效应,系统中会出现很大的冲击电流。
由于以上原因,特别是瞬时产生的大电流,工作时产生明显的打火现象,这会引起电磁干扰,并对接插件造成腐蚀。因此需要“缓慢”上电。
在这里我们可以得出缓启动电路两种主要的作用:1.防抖动延时上电2.控制输入电流的上升斜率和幅值。


下面我们使用MOS管来讲解一个缓启动电路工作原理。
MOS管具备低导通阻抗(Rds_on)和驱动简单的优势,在这基础上配合其它的元器件,就能构成缓慢启动电路。
通常情况下,在正电源中用PMOS,在负电源中使用NMOS。
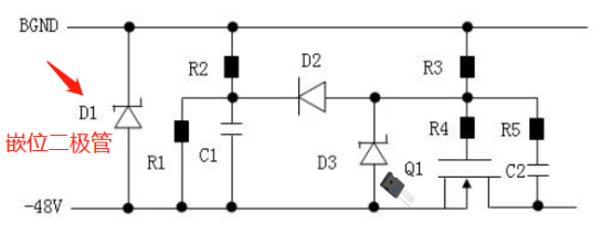
如下图:用一个NMOS管搭建的一个-48V电源缓启动电路图


我们先对“其它元器件”进行简单说明:
1) D1(TVS管):一般用于电源电路的浪涌防护,防止MOS管导通前输入电压过大损坏后级电路;
2) D2(肖特基二极管):隔离防抖动延时电路与上电斜率控制电路(防止受C1的影响);
3) D3(稳压二极管):保证VGS电压的稳定并保护MOS管Q1的栅-源极不被高压击穿;
4) R2/R1和C1:R1为C1提供快速放电通道;R1/R2分压值大于D3的稳压值;
5) R3和C2:控制电源电压上升斜率;
6) R4和R5:防止MOS管自激振荡。
在上图中,Q1为MOS管,Cgs为其栅-源极间的寄生电容,Cgd为栅-漏极间的寄生电容,Cds为漏-源极间的寄生电容。
可以看到,栅-漏极外部并联了电容C2 ,这里的栅-漏极的总电容是C’gd=C2+ Cgd,相对于C2 来说,Cgd的容值几乎忽略不计,所以C’gd和C2几乎相等。
MOS管的栅极开启电压Vth,在正常工作的情况下,其栅源电压为Vw,这里的电压等于稳压管D3的嵌位电压,电容C1充电的时间常数t=(R1//R2//R3)C1,由于R3通常会比R1、R2大很多,所以t≈(R1//R2)C1。
此电路工作过程可分为四个阶段:


如图所示:A、B为防抖电路;C、D为电压缓起电路。
第一阶段:
-48V电源对C1充电,MOS管开启后,漏极电流开始增大,此时的变化速度与MOS管的跨导和栅源电压变化率成正比;此时:
VA电压随输入快速下降;
VB电压瞬间降至-48V,随后缓慢上升对C1两端电压充电;
VC电压瞬间被Vb拉低D2导通,其稍高于VB。随着R1/R2对C1的充电,此时VGS(=Vc-Va)也跟着增大,Q1处于截止状态。
当Q1处于截止状态,也就是Vd=0V。由于C2通过R5瞬间充满电,Vcd电压与C2的初始电压都为-47.6V,然后随着电压VC升高而缓慢放电。
R3向D2流经电流,VB点电压从-48V开始缓慢上升,Vc电压跟着-47.6V缓慢上升;
(启动时Vgs,Vds和Ids的变化)


第二阶段:
VGS电压VGS(th)上升至Vplt,MOS管Q1为完全打开。
一般最好在米勒平台之前结束防抖动电路作用,此后开启时间由电压缓启动电路负责;取决于R1/R2与C1充然后到至VGS(th)的时间,同时也包括R3与C2充电时间的计算。
第三阶段:
此时就到达米勒平台阶段。当漏电流(Idrain)不断增大,直至负载端电压VD由0V开始下降,此时开始米勒平台阶段;
一般开启瞬间设备电源输入最大电流,是在设备电源电压开始上升之前,此时Q1能够通过自身的压降来限制冲击电流的大小;
Id电流维持ID,Vds电压不断降低。
第四阶段:
米勒平台阶段结束后,Vd为-48V保持不变;Id电流仍然维持ID,Vds电压降低到一个较低的值,但此时降低的斜率与幅度比较小,最后稳定。
通常我们可以认为米勒平台结束后MOSFET基本上已经导通。
MOS管 在其中的应用说明
由以上我们可以看出,MOS管在开关电源应用领域里是一个非常重要的器件.
MOS管由于开关速度快,通流能力强,非常适合在低压,大电流,中等功率等应用中,能有效提升电源转换效率。其重要性具体如下,但不限于:
1.开关电源的开关(对上管)和续流二极管(对下管),可以通过MOS管来实现,其上管和下管开启/关闭的时间决定了MOS管的开关损耗:
2. 在导通过程中,从MOS管打开至米勒平台结束这个阶段,是开关导通中的重点阶段。
〈烜芯微/XXW〉专业制造二极管,三极管,MOS管,桥堆等,20年,工厂直销省20%,上万家电路电器生产企业选用,专业的工程师帮您稳定好每一批产品,如果您有遇到什么需要帮助解决的,可以直接联系下方的联系号码或加QQ/微信,由我们的销售经理给您精准的报价以及产品介绍
联系号码:18923864027(同微信)
QQ:709211280

