传真:
                        18923864027
                        QQ:
                        709211280
                        地址:
                        深圳市福田区振中路84号爱华科研楼7层
                    
 
                    超宽范围输入的开关电源电路设计详解开关电源基于自身的体积小巧和转换效率高的特点已在电子产品中得到了广泛的应用,特别是TOPSwitch系列
 
                    下拉电阻与上拉电阻的工作原理和必要性介绍电路中加上拉电阻或下拉电阻的目的是确定某个状态电路中的高电平或低电平。下面举几个例子进行讲
 
                    锂电池充电与充电保护电路详解通过锂电池向电路系统提供3 3V电压,并具备USB充电功能及过充保护功能.USB充电采用TP4056芯片电路实现.TP40
 
                    防反接保护电路详解1,通常情况下直流电源输入防反接保护电路是利用二极管的单向导电性来实现防反接保护。如下图1示:这种接法简单可靠,但
 
                    增益精确的可变增益放大器介绍可变增益放大器是GPS接收机中的一个关键模块,它与反馈环路组成的自动增益控制电路为模/数转换器(ADC)提供恒
 
                    IGBT是什么-IGBT与mos管有什么联系IGBT是什么?它是由BJT(双极型三极管)和MOS(绝缘栅型场效应管)组成的复合全控型电压驱动式功率半导体器件
 
                    开关电源电路中电阻的选用知识开关电源电路中电阻的选用,不仅仅考虑电路中平均电流值引起的功耗,还要考虑耐受最大峰值电流的能力。其典型
 
                    模拟电路中MOS栅极电阻作用分析1、是分压作用;2、下拉电阻是尽快泄放栅极电荷将MOS管尽快截止;3、防止栅极出现浪涌过压(栅极上并联的稳压
 
                    栅极电阻和泄放电阻的介绍场效应管栅极与源极之间加一个电阻,这个电阻起到什么作用?一是为场效应管提供偏置电压;二是起到泻放电阻的作用:
 
                    MOSFET的驱动保护电路的设计详解功率场效应晶体管由于具有诸多优点而得到广泛的应用;但它承受短时过载的能力较弱,使其应用受到一定的限制
 
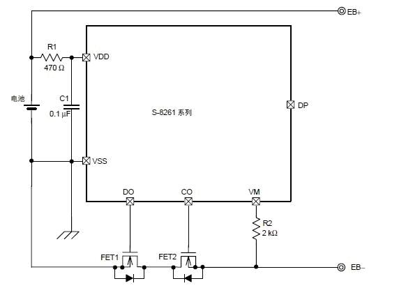
                    单节锂电池保护板的图文详解1、标准保护电路(以精工S8261为例)锂电池保护板说明图此电路为保护IC提供的标准应用电路,具有过充电、过放电
 
                    CMOS集成电路性能特点与注意事项目前数字集成电路按导电类型可分为双极型集成电路(主要为TTL)和单极型集成电路(CMOS、NMOS、PMOS等)。C