传真:
                        18923864027
                        QQ:
                        709211280
                        地址:
                        深圳市福田区振中路84号爱华科研楼7层
                    
 
                    三极管放大电路中的固定偏置介绍就是让放大器有一个工作电压,这就与动物一样,动物会于活,但是须要你给它食物让它有活动的能力!跟它一个
 
                    NPN,PNP型三极管的工作原理介绍NPN型三极管和PNP型三极管这是按三极管按结构分类的,NPN型是两块N型半导体以及一块P型半导体组成,如下图左
 
                    双三极管驱动LED的多谐振荡器原理解析双三极管多谐振荡器是一款应用较广的常见电路形式,但对其原理描述却不多见。附图是一款双三极管多谐
 
                    三极管变色闪光灯电路图和多谐振荡器原理三极管继电器延时吸合电路及原理三极管继电器延时吸合电路是 三极管组成的继电器延时吸合电路。刚
 
                    三极管的放大区,饱和区,截止区怎么区分发射极正偏集电极反偏,三极管处于放大状态;发射极正偏集电极正偏工作在饱和区;发射极反偏集电极反
 
                    三极管恒流源计算公式分享这个恒流源的电流计算公式是 I = Vbe R1我解释下举个例子,R2怎么取值?Vbe的电压一定,硅型三极管是0 7V,锗
 
                    三极管的管脚,性能与主要参数检测晶体三极管。三极管是电子装置中的重要元件,它的质量优劣直接关系到系统工作的可靠性和稳定性,因此,它
 
                    如何判断三极管的基极三极管管脚极性的识别多数小功率三极管的管脚是等腰三角形排列,其顶点是基极,左边是发射极,右边是集电极。有的是从
 
                    三极管内部载流子的运动规律,电流分配关系与放大作用一、三极管的三种连接方式三极管在电路中的连接方式有三种:①共基极接法;②共发射极
 
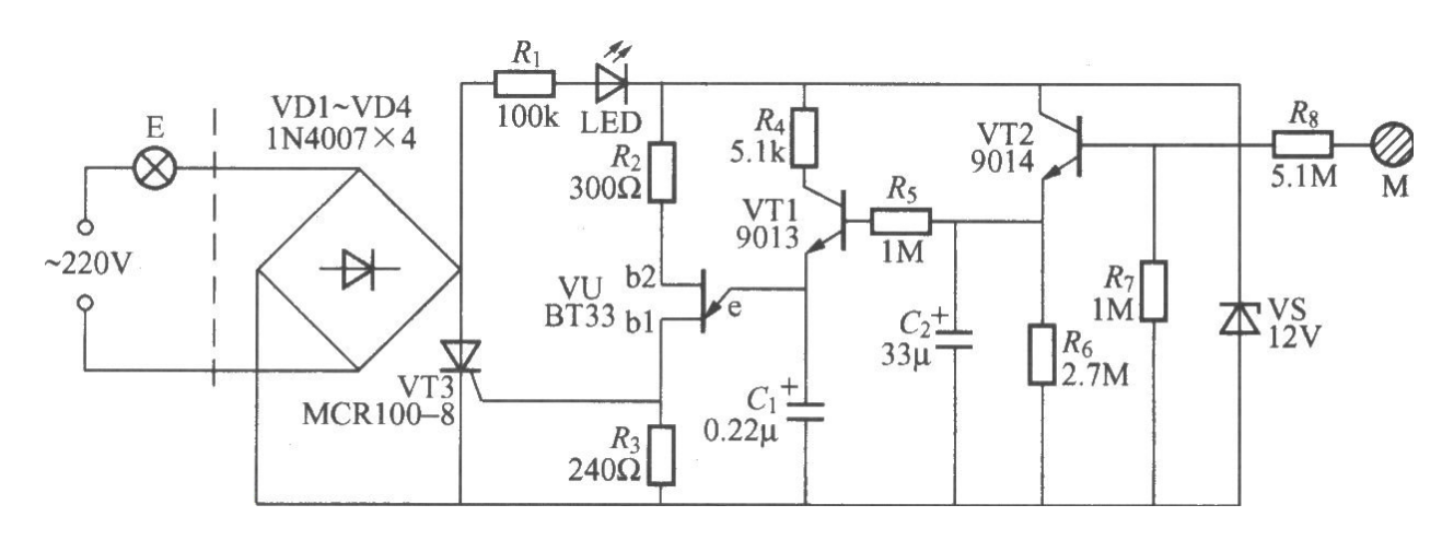
                    用基极三极管BT33制作的触摸开关灯电路介绍BT33管脚排列图触摸式渐暗延迟灯电路本电路图所用到的元器件:MMCR100-8 9013 9014 BT33触摸
 
                    普通三极管管脚判断图普通的三极管中间为B极,你只要把B极插对,另两个脚就假想为C、E两脚,先在NPN上试,两次假想,一次为C一次为E、只要
 
                    三极管音频放大电路图解最简单的三极管音频放大电路调节R1大小,使在最大输出时信号不失真即可,减小R可输出更大的功率。如果有万用表,可