可调稳压电路,原理图与工作原理,电路设计介绍
以下是几种可调稳压电路的设计方案与详细解析。
以下是几种可调稳压电路的设计方案与详细解析。
一、0 - 15V 可调稳压电路
一款具备从 0V 到 15V 连续可调直流电压的稳压电源,其最大输出电流可达 5A。


该电路设计简洁,主要用于实现电压调节,未配备电流调节功能。其工作原理如下:输出电压经电阻进行分压处理,通过可调电阻将分压后的电压输送至 TL431。当分压后的电压值高于 2.5V 时,TL431 内部导通,促使 Q1 基极电压降低,从而使输出电压相应减小。当电阻分压值稳定在 2.5V 时,输出电压达到稳定状态。
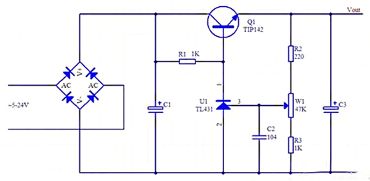
二、大电流可调稳压电源电路(3.5V - 25V)
这款大电流可调稳压电源能够实现 3.5V - 25V 的电压调节范围,且输出电流较大。电路采用可调电压稳压管设计,以确保输出电压的稳定性。


其工作原理为:经过整流滤波后的直流电压,经 R1 提供给调节管的基极,使调节管开启。当 V1 导通后,电压通过 RP 和 R2 使 V2 导通,进而 V3 也导通。此时,V1、V2 和 V3 的发射极与集电极电压保持恒定,其功能与稳压器一致。通过调节 RP 的阻值,可实现输出电压的稳定调节。R1、RP、R2 和 R3 的阻值比对电路的输出电压起着决定性作用。
三、0 - ±15V 线性可调稳压电源电路
该电源电路可实现 0 - ±15V 的线性可调输出。正电源部分运用 LM317 三端可调集成稳压器,负电源部分则采用 LM337 三端可调集成稳压器。电路具备完善的限流、短路保护以及热保护等功能。其突出优势在于仅需一个电位器便能实现正负电压的同步调节,具有电路结构简单、操作便捷、性能卓越且成本低廉等优点。


工作原理如下:电源输入部分通过公共变压器进行降压,再经桥式整流器整流,并接入电容滤波器,最终获取上下对称的 ±22V 直流电压。同时,衍生出两组 ±6.8V 的辅助电压,分别连接至运算放大器 IC4 和 IC3 的 V+ 和 V - 端,确保 IC3 和 IC4 的工作电压处于安全范围之内。
正输出电路由稳压器 IC1 及相关元件构成。通常情况下,电位器一端连接至稳压器 IC1 的调节端子,另一端接地。若将 RP1 电阻值调至 0,输出电压 Vout 为 1.2V,在电阻 R10 上形成 3mA 的恒定电流。改变 RP1 的电阻值,即可相应改变输出电压。
在此基础上,将 RP1 的接地端子连接至运算放大器 IC3 的输出端。IC3 输出电压为 - 1.2V,用于抵消 IC1 的基准电压 + 1.2V,从而实现从 0V 起始的调制。通过将运算放大器 IC3 连接为差分放大器并完成减法运算即可达成此目的。图中显示,同相输入电压为 V1,反相输入电压为 V2。由于 R4 = R5 = R6 = R7,IC3 的输出电压 VO = R5/R4 ×(V1 - V2)= - 1.2V。稳压器 IC1 的输出电压 + Vout 则由 5mA 的输出电流流经 R3 以及 10mA 流经 PR1 再减去 1.2V 后得到。
负输出电路由稳压器 IC2 及相关元件组成。省略了电位器 RP3,原本设置在 IC4 调节端子上的电位器 RP2 现在连接至运算放大器 IC4 的输出端,以此控制调节端的输出电压,进而实现对稳压器输出电压的调节。由于运算放大器 IC1 作为增益为 10 的反相放大器连接,其反相输入端与正输出电路稳压器的输出端相连,因此负输出电压稳定器能够产生与正输出电压极性相反、幅度相等的稳定电压。即 - Vout = - R9/R9 ×(+ Vout),因 R10 = R,故 - Vout = + Vout,实现负输出电压对正输出电压的精准跟踪。
此外,电路中的二极管 D7 和 D8 主要用于防止外部负载电容放电过度,避免对 IC1 和 IC3 的输出造成损坏;二极管 D9 和 D10 则是为了防止 IC3 输出正饱和以及 IC4 输出负饱和时,IC1 和 IC2 调节端子因反向电流流入而出现击穿现象,因为 IC1 和 IC2 的调节端子不允许有反向电流流入。
〈烜芯微/XXW〉专业制造二极管,三极管,MOS管,桥堆等,20年,工厂直销省20%,上万家电路电器生产企业选用,专业的工程师帮您稳定好每一批产品,如果您有遇到什么需要帮助解决的,可以直接联系下方的联系号码或加QQ/微信,由我们的销售经理给您精准的报价以及产品介绍
〈烜芯微/XXW〉专业制造二极管,三极管,MOS管,桥堆等,20年,工厂直销省20%,上万家电路电器生产企业选用,专业的工程师帮您稳定好每一批产品,如果您有遇到什么需要帮助解决的,可以直接联系下方的联系号码或加QQ/微信,由我们的销售经理给您精准的报价以及产品介绍
联系号码:18923864027(同微信)
QQ:709211280

